Komplette Entwicklung eines FPGA-Designs nach Ihren Vorgaben. Oder Entwicklung eines einzelnen Moduls zur Integration in Ihr Gesamtsystem. Haben Sie noch ein altes FPGA-Design, welches dringend auf einen aktuellen Baustein und die aktuelle FPGA-Software portiert werden muss, weil Sie von Abkündigungen betroffen sind?
STORM systems embedded kann auch Simulations- und Verifikationsumgebungen für Ihr FPGA oder Ihre FPGA Module entwickeln.
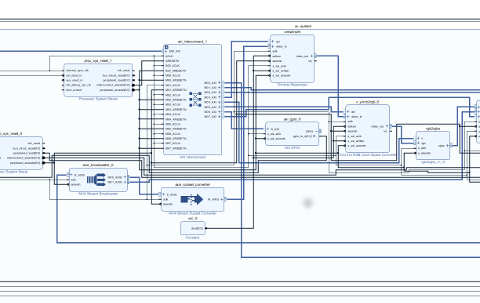
Möchten Sie wissen, ob ein FPGA oder SoC überhaupt für eine Aufgabe taugt? Ob sich Ihre Software durch eine FPGA beschleunigen lässt, und wenn ja, wie stark? Ob Sie mit einem kleinen FPGA oder SoC hinkommen, oder ob die Aufgabe einen größeren und somit auch teureren FPGA erfordert? STORM systems embedded bietet hier die Möglichkeit von Evaluierungen, die als Entscheidungsgrundlage genutzt werden können.
Entwicklung von Software-Treibern für Ihre Hardware. Der Software-Treiber kann dabei auf Ihrer Hardware oder auf einem Host-PC laufen (z.B. PCI-Express Treiber). Zusätzlich zum Treiber gibt es die entsprechende Testsoftware und/oder Beispielapplikation. Der Hauptfokus liegt hier auf Linux, ist aber nicht darauf beschränkt.
Brauchen Sie noch eine Applikationssoftware für Ihre Hardware? Mit grafischer Oberfläche und Datenbankanbindung? Oder einer einfachen grafischen Testapplikation, die Ihnen bei der Inbetriebnahme Ihres Gerätes wertvolle Zeit spart, weil sie Ihnen übersichtlich alle relevanten Informationen präsentiert? Auch hier können Sie von STORM systems embedded eine maßgeschneiderte Lösung bekommen.
Ein Training oder Consulting sollte sich immer ganz an Ihren Bedürfnissen orientieren. Egal, ob Sie Neueinsteiger sind und eine Einführung in Xilinx Vivado oder einer FPGA-Familie benötigen, oder sich über spezielle Teilaspekte, wie z.B. der partiellen Rekonfiguration oder der Realisierung einer Image-Pipeline, informieren wollen. STORM systems embedded richtet sich hier ganz nach Ihren Wünschen. Ob als Tagestraining oder mehrtägiger Workshop basierend auf Ihren eigenen Designdaten, hier ist alles möglich.


